[Product]

HOME Product SG-M Spur Gear Slewing Drive SG-M-1670

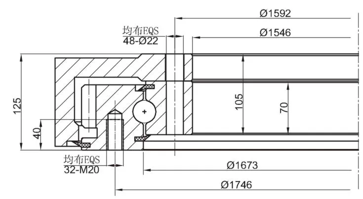
【SG-M Spur Gear Slewing Drive】 SG-M-1670

Lubrication of slewing drive; 4 M8X1 grease nipples on the inner ring; 2 M8X1 grease nipples on the housing; Slewing drive supplied pre-lubricated.

Technical Drawing

Product Params

Name Sign Unit Value
Module m [mm] 8
Teeth number of wheel z2 [-] 227
Teeth number of pinion z1 [-] 17
Overall gear ration i [-] 13.50
Maxtorque SFS=1.75 Md max [Nm] 33405
Nom torque SF=1 at n=5rpm Md nom [Nm] 23383
Max holding torque Mh [Nm] 33405
Radial static load Co rad [kN] 1687
Axial static load Co ax [kN] 4728
Radial dynamic load C rad [kN] 253
Axial dynamic load C ax [kN] 709
Weight P [kg] --
Pressure differential [bar] --
Oil flow Q [l/min] --
Output speed n [min-1] 2.5~10
Max achievable torgue Md [Nm] 33405

Online

Inquire

Whatsapp

WhatsApp

Whatsapp: +86 15837930086

E-mail

Email

E-mail: drive@ldb-bearing.com

Top

WhatsApp

Chat Online

Get A Quote

WhatsApp

Leave Message

We value your feedback! Please complete the form below so that we can tailor our services to your specific needs.

Email cannot be empty!

WhatsApp cannot be empty!

The message content cannot be empty!

0.256594s